Eladó új építésű ház - Szigetbecse

Új építésű!
Új építésű
KAPCSOLAT
Bernát Ágnes


+36 30 757

bernatagnes974@

Az időpont kérés naptár ikonja
IDŐPONTOT KÉREK
A visszahívás kérés telefon ikonja egy azt körbe ölelő nyíllal
VISSZAHÍVÁST KÉREK
Ajánlom egy ismerősömnek ikon
AJÁNLOM EGY ISMERŐSÖMNEK
Facebook megosztás ikon
MEGOSZTÁS

KAPCSOLATFELVÉTEL

Küldés

Az üzenetet sikeresen elküldtük!
Hiba történt!
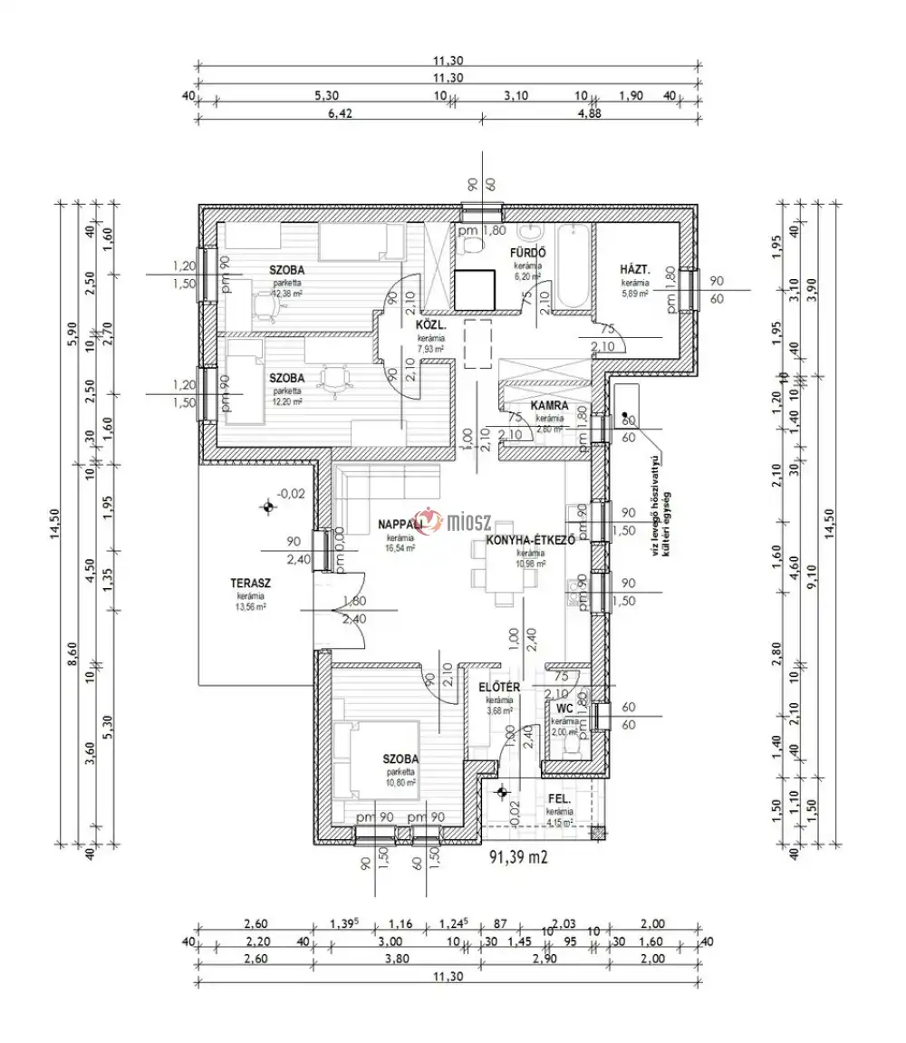
INGATLAN ADATAI

Ingatlan jellege

családi ház

Belső terület

99 m²

Telek terület

480 m²

Tájolás

délnyugat

Építési állapot

új

Építési mód

tégla

Szobák száma

5 szoba

Terasz

15 m²

Épület szintje

1.

Épült

2024

Ingatlan állapot

kívül: épülő
belül: épülő

Szigetelés

15 cm

Ablak szerkezete

3 rétegű thermoplan

Fűtés

hőszivattyús

Komfort

összkomfort

Parkolás

van fedetlen felszíni beálló

Közműállapot

csatorna: bekötve
gáz: nincs
villany: bekötve
víz: bekötve

Energetika

A:

Az időpont kérés naptár ikonja
HTML
Az időpont kérés naptár ikonja
PDF
Eladó új építésű ház
Ingatlan azonosító:
8003_leebesfia

Pest megye, Szigetbecse

Irányár

84.9 M Ft
(857.58 E Ft/㎡)

Szobák

5 szoba

Terület

99 m²

Telek terület

480 m²
INGATLAN LEÍRÁSA
Közvetlen a beruházótól!
Falusi CSOK, illeték mentesség.

Szigetbecse kedvelt részén kínálunk eladásra új építésű ingatlanokat.
Főbb műszaki paraméterek:
-30-as Porotherm tégla
-12 cm homlokzati szigetelés
-fújt, PUR habos tetőszigetelés
-burkolólapok és laminált parketta 6000 Ft/nm és 5000 Ft/nm áron választhatók
-3 rétegű műanyag nyílászárók redőnnyel, szúnyoghálóval, teraszon alumínium motoros redőnnyel felszereltek
-8 kw hűtő/fűtő hőszivattyú 230 V padlófűtéssel, hűtéssel
-riasztó vezetékelve
-térkövezett járda
-térkövezett autóbeálló

A házak elrendezése abszolút átgondolt, élhető, praktikus, nettó 92 nm, bruttó 109 nm nagyságú, a telek méret 470 nm.
A házban: előtér, kamra, tágas, világos 30 nm-es amerikai konyha-étkező-nappali kert-és teraszkapcsolattal, 3 hálószoba, háztartási helyiség, káddal és zuhanyzóval rendelkező fürdőszoba/wc + egy külön wc lett kialakítva.
Kulcsrakész ár: 84,9 M Ft.

Ha fontos a jó levegő, a nyugodt élet, kitűnő választás! Magas minőségi anyagok, profi kivitelezés!

Referencia házaink megtekinthetők.

Az ingatlan céges kivitelezésben épül, babaváró hitelből, Falusi Csok-ból, hitelből egyaránt finanszírozható és 4 % illetékmentesen megvásárolható ingatlanok.
Hitelben, Csok-ban ingyenes segítséget biztosítunk.

Részletekért kérem keressen bizalommal, amennyiben épp nem tudom fogadni hívását vissza fogom hívni.

INGATLAN ADATAI

Ingatlan jellege
családi ház
Belső terület
99 m²
Telek terület
480 m²
Tájolás
délnyugat
Építési állapot
új
Építési mód
tégla
Szobák száma
5 szoba
Terasz
15 m²
Épület szintje
1.
Épült
2024
Ingatlan állapot
kívül: épülő
belül: épülő
Szigetelés
15 cm
Ablak szerkezete
3 rétegű thermoplan
Fűtés
hőszivattyús
Komfort
összkomfort
Parkolás
van fedetlen felszíni beálló
Közműállapot
csatorna: bekötve
gáz: nincs
villany: bekötve
víz: bekötve
Energetika
A:
TÉRKÉP

Pest megye, Szigetbecse

Hitelkalkulátor


KAPCSOLAT
Bernát Ágnes
Bernát Ágnes


+36 30 757 7887

bernatagnes974@gmail.com

KAPCSOLAT
Bernát Ágnes

+36 30 757

bernatagnes974@

Az időpont kérés naptár ikonja
IDŐPONTOT KÉREK
A visszahívás kérés telefon ikonja egy azt körbe ölelő nyíllal
VISSZAHÍVÁST KÉREK
Ajánlom egy ismerősömnek ikon
AJÁNLOM EGY ISMERŐSÖMNEK
Facebook megosztás ikon
MEGOSZTÁS

KAPCSOLATFELVÉTEL

Küldés

Az üzenetet sikeresen elküldtük!
Hiba történt!
INGATLAN ADATAI

Ingatlan jellege

családi ház

Belső terület

99 m²

Telek terület

480 m²

Tájolás

délnyugat

Építési állapot

új

Építési mód

tégla

Szobák száma

5 szoba

Terasz

15 m²

Épület szintje

1.

Épült

2024

Ingatlan állapot

kívül: épülő
belül: épülő

Szigetelés

15 cm

Ablak szerkezete

3 rétegű thermoplan

Fűtés

hőszivattyús

Komfort

összkomfort

Parkolás

van fedetlen felszíni beálló

Közműállapot

csatorna: bekötve
gáz: nincs
villany: bekötve
víz: bekötve

Energetika

A:

Az időpont kérés naptár ikonja
HTML
Az időpont kérés naptár ikonja
PDF

Hasonló ingatlan hírdetések

Eladó új építésű családi ház, vagy kertes ház hirdetést keres Szigetbecse területén?
Tekintse meg további ajánlatainkat!

eladó nyaraló, Szigetbecse

eladó nyaraló

Eladó közvetlen vízparti, saját stéges nyaraló Szigetbecsén

Pest megye, Szigetbecse, Napospart sor
Prémium vízparti életérzés Szigetbecsén – saját stéggel, kompromisszumok nélkül Ritka lehetőség azok számára, akik közvetlen vízparti, új építésű, magas minőségben kivitelezett otthont keresnek. Az...
Belső terület
92 m²
Telek terület
325 m²
Szobák
3

195 M Ft

eladó új építésű családi ház, Szigetbecse

eladó új építésű családi ház

Pest megye, Szigetbecse
Közvetlen a beruházótól! 10 % önerővel foglalható ingatlan! Falusi CSOK, illeték mentesség, 5 % Áfa visszatérítés! Szigetbecse kedvelt részén kínálunk eladásra új építésű, önálló családi házat. F...
Belső terület
99 m²
Telek terület
721 m²
Szobák
5

89.9 M Ft

Új építésű!
Új építésű
Pest megye - Szigetbecse
Pest megye - Szigetbecse
Pest megye - Szigetbecse
Pest megye - Szigetbecse
Pest megye - Szigetbecse
Pest megye - Szigetbecse
Pest megye - Szigetbecse
Pest megye - Szigetbecse
Pest megye - Szigetbecse
Pest megye - Szigetbecse